HRS-EA(B) Intelligent Circulation Pump
View All Products
en
The HRS-EA(B) Series Ceramic Bearing Circulation Pump is a specialized pump designed for circulation applications. It is known for its ceramic bearing construction, which offers several advantages over traditional bearing materials.
Applications:
Heating systems in residential and commercial buildings
Industrial equipment cooling
Solar water heating systems
Boiler circulation systems
Technical Specifications:
Flow Rate: Up to 3.7 m³/h
Head: Up to 7 meters
Pressure: Up to 10 bar
Ambient Temperature: 0℃~40℃
Ambient Humidity: 95%
Liquid Temperature: -10℃~110℃
Voltage and Frequency: Customizable (50Hz or 60Hz)
| Setting | pump curve | Function |
| PP1 | Lowest proportional- pressure curve |
The duty point of the pump will move up or down on the lowest proportional-pressure curve, depending on heating demand.The head(pressure is reduced at falling heating demand and increased at rising heating demand) |
| PP2 | Highest proportional- Pressure curve |
The duty point of the pump will move up or down on the highest proportional-pressure curve, depending on heating demand.The head(pressure is reduced at falling heating demand and increased at rising heating demand) |
| CP1 | Lowest constant- Pressure curve |
The duty point of the pump will move out or in constant-pressure curve, depending on the heating demand.The head (pressure)is kept constant, irrespective of the heating demand. |
| CP2 | Highest constant- Pressure curve |
The duty point of the pump will move out or in constant-pressure curve, depending on the heating demand. The head (pressure) is kept constant, irrespective of the heating demand. |
| III | Speed III | Pump runs at a constant speed and consequently on a constant curve.In speed lll, the pump is set to run on the Max. curve underall operating conditions. Quick venting of the pump can be obtained by setting the pump to speed lll for a short period. |
| Il | Speed Il | Pump runs at a constant speed and consequently on a constant curve.In speed ll, the pump is set to run on the Medium curve under all operating conditions. |
| I | Speed l | Pump runs at a constant speed and consequently on a constant curve. In speed l, the pump is set to run on the Min. curve under all operating conditions. |
| AUTO (EX-factory Setting) |
Under"AUTO"mode, the power of pump automatically be up or down according to flow of system in certain condition. | |
| Night Mode | Pump runs select to night mode, after one hour the power automatically down, after two hours, it will be down lowest between 5-10watt, after seven hours, the pump auto mode eliminate and recovery to original condition. |
Components :
| Part | Material |
| Pump body | Cast iron |
| Impeller | PES |
| Stainless steel cover | 304SS |
| Bearing | Ceramic |
| Gasket | Rubber |
| Brass bearing | Brass |
| Rator | SS&Copper |
| Ceramic shafting | Ceramic |
| Shielding | 304SS |
| Stator | Silicon steel&Copper |
| Motor housing | Aluminum |
| Hexagon socket screws | Stainless steel |
| Exhaust screw | Brass |
| Nameplate | Nylon |
| Seat of terminal box | Nylon |
| Cover of termial box | Nylon |






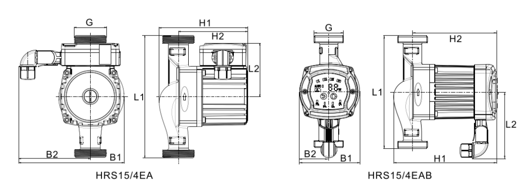
| Model | Power | Max.Flow | Max.Head | Voltage | Mater of pump body | Dimension(mm) | Weight | ||||||||||
| (W) | (m³/h) | (m) | 220V/50Hz | Cast Iron |
Plastic | Brass | Stainless steel |
L1 | L2 | B1 | B2 | H1 | H2 | G | (Kg) | ||
| 130 | 180 | ||||||||||||||||
| HRS15/4EA | 5~22 | 1.8 | 4 | ★ | ★ | ★ | ★ | ★ | 80 | 155 | 105 | 129 | 101 | 1" | 2.1 | ||
| HRS25/4EA | 2.6 | ★ | ★ | ★ | ★ | ★ | 80 | 155 | 105 | 129 | 101 | 11/2" | 2.3 | ||||
| HRS32/4EA | 3 | ★ | ★ | 80 | 155 | 105 | 129 | 101 | 2" | 2.4 | |||||||
| HRS15/5EA | 5-32 | 2.3 | 5 | ★ | ★ | ★ | ★ | ★ | 80 | 155 | 105 | 129 | 101 | 1" | 2.1 | ||
| HRS25/5EA | 3.1 | ★ | ★ | ★ | ★ | ★ | 80 | 155 | 105 | 129 | 101 | 11/2" | 2.3 | ||||
| HRS32/5EA | 3.4 | ★ | ★ | 80 | 155 | 105 | 129 | 101 | 2" | 2.4 | |||||||
| HRS15/6EA | 5~45 | 2.4 | 6 | ★ | ★ | ★ | ★ | ★ | 80 | 155 | 105 | 129 | 101 | 1" | 2.1 | ||
| HRS25/6EA | 3.6 | ★ | ★ | ★ | ★ | ★ | 80 | 155 | 105 | 129 | 101 | 11/2" | 2.3 | ||||
| HRS32/6EA | 3.6 | ★ | ★ | 80 | 155 | 105 | 129 | 101 | 2" | 2.4 | |||||||
| HRS15/7EA | 5~47 | 2.7 | 7 | ★ | ★ | ★ | ★ | ★ | 80 | 155 | 105 | 129 | 101 | 1" | 2.1 | ||
| HRS25/7EA | 3.7 | ★ | ★ | ★ | ★ | ★ | 80 | 155 | 105 | 129 | 101 | 11/2" | 2.3 | ||||
| HRS32/7EA | 3.7 | ★ | ★ | 80 | 155 | 105 | 129 | 101 | 2" | 2.4 | |||||||
| Model | Power | Max.Flow | Max.Head | Voltage | Mater of pump body | Dimension(mm) | Weight | ||||||||||
| (W) | (m³/h) | (m) | 220V/50Hz | Cast Iron |
Plastic | Brass | Stainless steel |
L1 | L2 | B1 | B2 | H1 | H2 | G | (Kg) | ||
| 130 | 180 | ||||||||||||||||
| HRS15/4EAB | 5~22 | 1.8 | 4 | ★ | ★ | ★ | ★ | ★ | 106 | 96 | 46 | 165 | 136 | 1" | 2.1 | ||
| HRS25/4EAB | 2.6 | ★ | ★ | ★ | ★ | ★ | 106 | 96 | 46 | 165 | 136 | 11/2" | 2.3 | ||||
| HRS32/4EAB | 3 | ★ | ★ | 106 | 96 | 46 | 165 | 136 | 2" | 2.5 | |||||||
| HRS15/5EAB | 5-32 | 2.3 | 5 | ★ | ★ | ★ | ★ | ★ | 106 | 96 | 46 | 165 | 136 | 1" | 2.1 | ||
| HRS25/5EAB | 3.1 | ★ | ★ | ★ | ★ | ★ | 106 | 96 | 46 | 165 | 136 | 11/2" | 2.3 | ||||
| HRS32/5EAB | 3.4 | ★ | ★ | 106 | 96 | 46 | 165 | 136 | 2" | 2.5 | |||||||
| HRS15/6EAB | 5~45 | 2.4 | 6 | ★ | ★ | ★ | ★ | ★ | 106 | 96 | 46 | 165 | 136 | 1" | 2.1 | ||
| HRS25/6EAB | 3.6 | ★ | ★ | ★ | ★ | ★ | 106 | 96 | 46 | 165 | 136 | 11/2" | 2.3 | ||||
| HRS32/6EAB | 3.6 | ★ | ★ | 106 | 96 | 46 | 165 | 136 | 2" | 2.5 | |||||||
| HRS15/7EAB | 5~47 | 2.7 | 7 | ★ | ★ | ★ | ★ | ★ | 106 | 96 | 46 | 165 | 136 | 1" | 2.1 | ||
| HRS25/7EAB | 3.7 | ★ | ★ | ★ | ★ | ★ | 106 | 96 | 46 | 165 | 136 | 11/2" | 2.3 | ||||
| HRS32/7EAB | 3.7 | ★ | ★ | 106 | 96 | 46 | 165 | 136 | 2" | 2.5 | |||||||

Oil Filled Borehole Pump are designed for deep water extraction where stable performance and long operating cycles are r...
READ MOREAn intelligent circulation pump is designed to move liquids through a system while adjusting its behavior based on real ...
READ MOREIn the water management and industrial sectors, reliable pumping systems are essential. A Borehole Pump Manufacturer pl...
READ MORE
Max. Rated Current : 10A Max. Working Pressure : 10bar Rated Voltage : 110V-120V...
See Details
Stainless steel Working temperature: -20°C~99°C (Butyl) -20°C~99°C (EPDM) 0°C~77...
See Details
Water Shortage ProtectionVoltage StabilizationStainless Steel ConstructionVertic...
See Details
Easy Installation Hot And Cold Water Circulation Pump Inlet / Outlet: 1 1/2" x ...
See Details
High Pressure Hot And Cold Water Circulation Pump Inlet/Outlet: 11/2" x 11/2" Bo...
See Details
Rated input voltage : AC380V, Three phase 50Hz/ 60Hz Rated output power : 18.5-9...
See Details











